• RLA40 -Track roller with spherical profile
  • RLA40 -Track roller with spherical profile
  • RLA40 -Track roller with spherical profile
  • RLA40 -Track roller with spherical profile

RLA40 -Track roller with spherical profile

No.RLA40 RLAX40
Other code:RLA40Z  RLA40ZZ RLA40.2Z PEN40  RLAX40R  use to X-rail
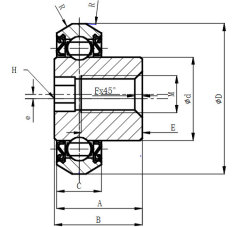
A (mm)
14.65
B (mm)
14.65
C (mm)
10
d (mm)
14.57
D (mm)
31.5
E (mm)
10
F (mm)
1
H (mm)
HEX5 DEEP3.2
M (mm)
M6
R (mm)
25
e (mm)
0.7
Cr (N)
4580
C0r (N)
1970
Weight (g)
48
Grease:
General
HTG high temperature
food grade grease
  • RLA40 -Track roller with spherical profile
  • RLA40 -Track roller with spherical profile

Description

Track rollers with spherical profile - RLA40Z   PEN40  RLAX40R 
Track roller series RLA40...  are precision ball bearings that they are generally used in precision linear motion guide.
They are supplied with rubber seals and metal shields respectively, and are also available with concentric pivots and eccentric pivots.

Material:
Bearings: High quality chromium steel  or martensitic stainless steel. e.g. 100Cr6 SUS440C
Pivot: High quality carbon steel or stainless steel. e.g. 1045  SUS304