• B2 - BUSHING
  • B2 - BUSHING
  • B2 - BUSHING
  • B2 - BUSHING
  • B2 - BUSHING
  • B2 - BUSHING
  • B2 - BUSHING
  • B2 - BUSHING
  • B2 - BUSHING
  • B2 - BUSHING
  • B2 - BUSHING
  • B2 - BUSHING

B2 - BUSHING

No.B2
BUSHINGS - B2
Rgidly affixes guide wheels to a mounting surface ina precise, orthogonal fashion.
Material options include 304 stainless steel or blacked carbon steel.
Concentric and eccentric configurations allow for fit up adjustment.
Design calls for a fastener to pass through the bushing and the guide wheel, locking the elements into place against the mounting surface.
Standard and low profile head height configurations are available providing flexibility in wheel height position.
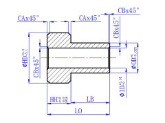
HH (mm)
7.137
LB (mm)
10.795
LO (mm)
17.932
OD (mm)
9.52
ID (mm)
6.35
CA (mm)
0.2
CB (mm)
0.2
HD (mm)
14.224
  • B2 - BUSHING
  • B2 - BUSHING
  • B2 - BUSHING
  • B2 - BUSHING
  • B2 - BUSHING
  • B2 - BUSHING

Description

Material: Blacked carbon steel (OXIDE).
Used for W2 or W2X guide wheels installation.